Estamos exibindo produtos para a sua região.

Informe seu CEP para ter uma melhor experiência.

  • Entre ou Cadastre-se
  • Pedidos de Loja On-Line
  • Pedidos de Loja Física
  • Atendimento
casasbahia.com.brFerramentasAcessórios para FerramentasBrocas

Adaptador Para Mandril Kwes/3 23,02 X 17,25 (3/4 Npt)

(Cód. Item 1546662283)

Outros produtos BTFixo

Infelizmente não temos estoque do produto que você está procurando no momento.

Avise-me quando chegar

Também desejo receber emails de promoções e lançamentos

Você será avisado quando este produto ficar disponível!

Adaptador Para Mandril Troca Rápida - Kwes/3 - 23,02 X 17,25 (3/4 Npt)


Adaptador Para Mandril Troca Rápida - KWES/3 - 23,02 X 17,25 (3/4 NPT)

O QUE É O ADAPTADOR PARA TROCA RÁPIDA SEM EMBREAGEM DE SEGURANÇA


É um mecanismo que evita a quebra do macho durante a usinagem, como em operações de rosqueamento em furo cego. E proporciona maior torque no retorno do macho, garantindo ainda a retirada do mesmo ao realizar a reversão do sentido de rotação.

PARA QUE SERVE O ADAPTADOR PARA TROCA RÁPIDA SEM EMBREAGEM DE SEGURANÇA

O Adaptador para troca rápida Sem Embreagem de Segurança é utilizado para fixar diferentes modelos de machos durante os processos de rosqueamento.

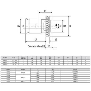
ESPECIFICAÇÕES DO ADAPTADOR PARA TROCA RÁPIDA MODELO KWES/2

- Modelo: KWES/3;

- Haste: 11 - 28;

- Mandril indicado: 3;

- D - Diâmetro externo = 70mm;

- D2 - Diâmetro de encaixe = 48mm;

- Torque regulável de fábrica;

- Sem Embreagem de Segurança.

ESPECIFICAÇÕES DO ADAPTADOR PARA O MACHO

- (Diâmetro): 23,02;

- Quadrado: 17,25;

- Macho (Rosca):(3/4 NPT);

- Modelo: KWES/3;

- Marca: BTFIXO;

- Código: 03207.

Distribuidor Autorizado para todo o Brasil. O Grupo Piveta Ferramentas é uma empresa com mais de 30 anos no mercado e líder no segmento de Máquinas e Ferramentas para Usinagem, contamos com mais de 25 Mil produtos para melhor lhe atender.

Temos como compromisso um atendimento personalizado, entrega rápida e excelência na prestação de serviços. Não perca tempo procurando, a ferramenta certa para você está aqui.

É importante ressaltar também que nossa atuação não se limita ao setor de Usinagem Mecânica, nossa variedade de produtos nos permite atender a vários setores como Agronegócio, Embalagem Plástica, Retifica de Motores, Usinas de Açúcar e Álcool, Manutenção Industrial (Usinagem e Caldeiraria), Mineração, Área de Fertilizantes, Frigoríficos, Usinagem Médio para Grande Porte e Automação Industrial. Desta forma fortificando e ajudando no desenvolvimento econômico do nosso país.

Informações importantes:

  • Preços e condições de pagamento válidos somente para compras no site www.casasbahia.com.br.
  • Em caso de divergência de preços, o valor final considerado será o do Carrinho de Compras.
  • Imagens meramente ilustrativas.